Deep Groove Ball Bearings
- Product
- Qty in Cart
- Quantity
- Price
- Subtotal
-
$24.64 -
$42.10 -
$44.43 -
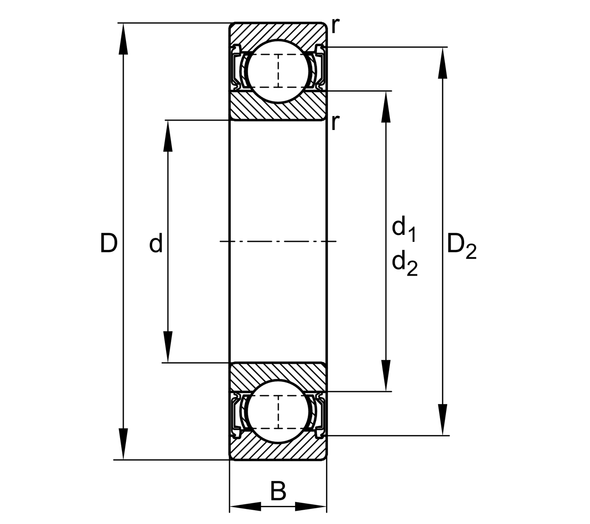
FAG 6210 2RSRC3 Deep Groove Ball Bearing Single Row 50MM Bore; 90MM Outside Diameter; 20MM Outer Race Width; 2 Seals; Ball Bearing; ABEC 1 | ISO P0; No Filling Slot; No Snap Ring; No Internal Special Features; C3-Loose Internal Clearance; Steel Cage
$52.68Main Dimensions & Performance Data d 50 mm Bore diameter D 90 mm Outside diameter B 20 mm Width Cr 39,000 N Basic dynamic load rating, radial C0r 24,200 N Basic static load rating,...$52.68 -
$68.65 -
$75.96 -
$86.28 -
$75.62 -
$74.46 -
$72.96 -
$113.43 -
$117.65