Roller Bearings
- Product
- Qty in Cart
- Quantity
- Price
- Subtotal
-
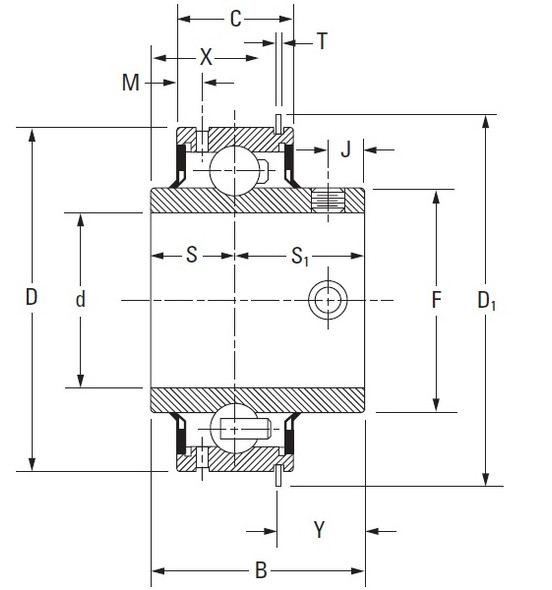
INA RCJY60-XL-N Flange Block Square 4 Bolt 60MM Bore; 202MM Bolt Circle; 143MM Bolt Spacing; 1 Piece Solid; Set Screw Mount; Cast Iron; Ball Bearing; 65.09MM Length Thru Bore; Relubricatable; Double Land Riding Rubber Contact Seals
$161.23Main Dimensions & Performance Data d 60 mm Bore diameter L 175 mm Flange width U 73.7 mm Total height unit Cr 56,000 N Basic dynamic load rating, radial C0r 36,000 N Basic static load rating,...$161.23 -
On Sale
NTN 30208 40MM Bore; 80MM Outside Diameter; 19.75MM Assembly Width; Standard Precision; 30208; Single Row of Rollers
Now: $23.25Was: $25.83Now: $23.25Was: $25.83 -
$24.50 -
On Sale
TIM 343099 Oil Seal 1-1/2" Shaft Dia; 1-7/8" Housing Bore; 1/4" Nominal Width; Nitrile Lip; Solid Seal; 1/4" Actual Width; Not Spring Loaded; 1 Sealing Lips; No Lip Retainer; Steel and Rubber Case
Now: $19.47Was: $21.63Now: $19.47Was: $21.63 -
On Sale
TIM ER31 Insert Bearing 1-15/16" Bore; Wide Inner Ring; 1-1/8" Outer Race Width; 3.543" Outside Diameter; Set Screw; Ball Bearing; 2-1/32" Length Thru Bore; Relubricatable; Contact Seal; Snap Ring
Now: $92.12Was: $102.35Now: $92.12Was: $102.35